
应用范围
本产品是用于直流电压转换的设备,适用各种直流电源应用而需要电压转换的场合, 尤其是各种电动车车辆,如电动叉车,高尔夫球车, 游览车等的, 也可应用于太阳能/风能等直流电源的电压转换。该转换器可提供输出为12V或24V的电压。
特 点
- 精心设计的电路, 保证系统高效、可靠运行;
- 同步整流, 转换效率≥93%,优于其他同类应用产品;
- 功率/散热储备充足可在长时间工作于额定电流;
- 专用铝型材机盒,有利于散热,体积小巧、安装方便;
- 宽电压输入,可偏差±20%, 适合蓄电池应用(单元电压1.65V~2.50V);
- 本产品内部均有过流保护,短路保护等电路;
- 适用于各种环境,防护等级IP54;
- 性价比较高。
型号命名规则

详细参数
- 非隔离<60V系列转换器主要技术指标
| 型号 | 输入电压 | 输入电压范围 | 输出电压 | 输出电流 | 三维图中L |
| NQZB200-012-024C | 12 | 9.6~14.4V | 24V | 0~10A | 160mm |
| NQZB150-024-012C | 24V | 19.2V~28.8V | 12V | 0~15A | 100mm |
| NQZB200-024-012C | 12V | 0~20A | 140mm | ||
| NQZB250-024-012C | 12V | 0~25A | 140mm | ||
| NQZB300-024-012C | 12V | 0~30A | 160mm | ||
| NQZB400-024-012C | 12V | 0~40A | 180mm | ||
| NQZB100-036-012C | 36V | 28.8V~43.2V | 12V | 0~10A | 100mm |
| NQZB200-036-012C | 12V | 0~20A | 140mm | ||
| NQZB250-036-012C | 12V | 0~25A | 140mm | ||
| NQZB300-036-012C | 12V | 0~30A | 160mm | ||
| NQZB400-036-012C | 12V | 0~40A | 200mm | ||
| NQZB300-036-024C | 24V | 0~15A | 140mm | ||
| NQZB400-036-024C | 24V | 0~20A | 160mm | ||
| NQZB600-036-024C | 24V | 0~30A | 180mm | ||
| NQZB167-048-005C | 48V | 48.4V~57.6V | 05V | 0~40A | 180mm |
| NQZB100-048-012C | 12V | 0~10A | 100mm | ||
| NQZB167-048-012C | 12V | 0~17A | 120mm | ||
| NQZB200-048-012C | 12V | 0~20A | 140mm | ||
| NQZB250-048-012C | 12V | 0~25A | 140mm | ||
| NQZB300-048-012C | 12V | 0~30A | 160mm | ||
| NQZB400-048-012C | 12V | 0~40A | 200mm | ||
| NQZB300-048-024C | 24V | 0~15A | 140mm | ||
| NQZB400-048-024C | 24V | 0~20A | 160mm | ||
| NQZB600-048-024C | 24V | 0~30A | 180mm |
非隔离≥60V系列转换器主要技术指标
| 型号 | 电池电压 | 输入电压范围 | 输出电压 | 输出电流 | 三维图L |
| NQZB100-060-012C | 60V | 48V~72V | 12V | 0~10A | 100mm |
| NQZB200-060-012C | 12V | 0~20A | 140mm | ||
| NQZB250-060-012C | 12V | 0~25A | 160mm | ||
| NQZB300-060-012C | 12V | 0~30A | 160mm | ||
| NQZB400-060-012C | 12V | 0~40A | 200mm | ||
| NQZB100-060-024C | 24V | 0~05A | 140mm | ||
| NQZB300-060-024C | 24V | 0~15A | 140mm | ||
| NQZB400-060-024C | 24V | 0~20A | 160mm | ||
| NQZB600-060-024C | 24V | 0~30A | 180mm | ||
| NQZB167-072-005C | 72V | 57.6V~86.4V | 05V | 0~40A | 180mm |
| QZB100-072-012C | 12V | 0~10A | 100mm | ||
| NQZB200-072-012C | 12V | 0~20A | 140mm | ||
| NQZB250-072-012C | 12V | 0~25A | 140mm | ||
| NQZB300-072-012C | 12V | 0~30A | 160mm | ||
| NQZB400-072-012C | 12V | 0~40A | 200mm | ||
| NQZB300-072-024C | 57.6V~86.4V | 24V | 0~15A | 140mm | |
| NQZB400-072-024C | 24V | 0~20A | 160mm | ||
| NQZB600-072-024C | 24V | 0~30A | 180mm | ||
| NQZB800-072-024C | 24V | 0~40A | 220mm | ||
| NQZB400-072-048C | 48V | 0~10A | 200mm | ||
| NQZB100-080-012C | 80V | 66V~100V | 12V | 0~10A | 100mm |
| NQZB200-080-012C | 12V | 0~20A | 140mm | ||
| NQZB250-080-012C | 12V | 0~25A | 160mm | ||
| NQZB300-080-012C | 12V | 0~30A | 160mm | ||
| NQZB400-080-012C | 12V | 0~40A | 200mm | ||
| NQZB200-080-048C | 48V | 0~05A | 140mm | ||
| NQZB400-080-048C | 48V | 0~10A | 200mm | ||
| NQZB100-096-012C | 96 | 77~115V | 12V | 0~10A | 100mm |
| NQZB400-096-012C | 12V | 0~40A | 200mm | ||
| NQZB400-096-024C | 80~115V | 12V | 0~20A | 180mm |
安装说明
非隔离型DC/DC控制器接线方式

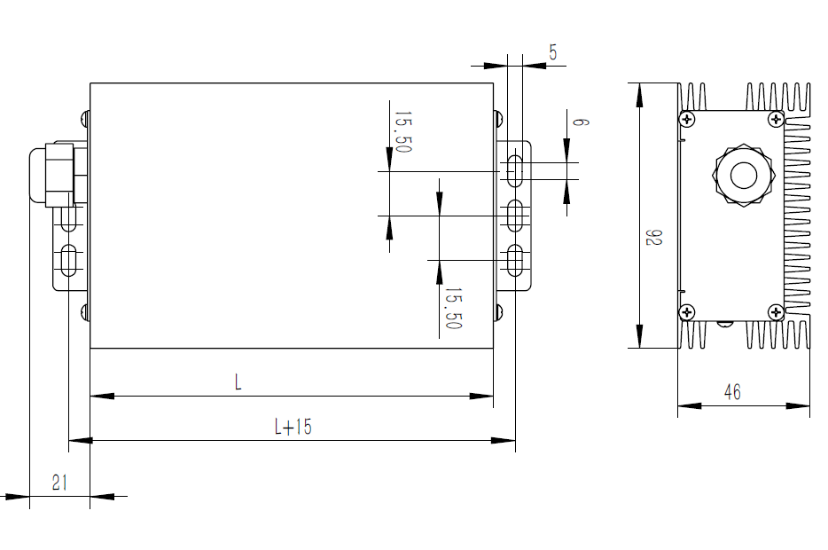
外形及安装尺寸


注: L=140mm/160mm/180mm黄色线接钥匙开关,接输入正极(单位:mm)
维护保修及注意事项
维护:
- 应安装于散热条件良好的空间, 长时间满载/重载应用须保证使底面与其他金属面接触良好, 以利热传导;
- 转换器接线时,注意正负电源不接反;
- 使用过程注意排除短路/过载等故障, 长时间短路/过载会损坏设备;
- 使用过程中就注意及时清除设备表面灰尘等影响散热杂物
保修期:12个月
注意事项:产品在以下范围内不予保修:
- 转换器外壳有严重变形或有自行拆封过;
- 转换器接线错误所导致的损坏,包括电源正负极或输入/输出接反;
- 其他人为损坏。
